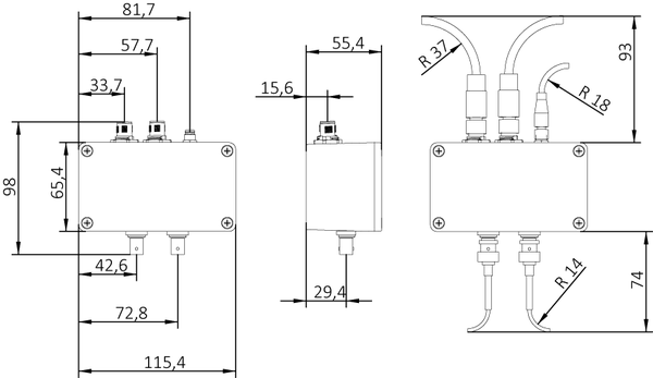
PiezoAmplifier
Viel mehr als ein Ladungsverstärker
| Artikel | Artnr. | Temp.-bereich °C | Piezokanäle | Spitzenwert- kanäle | Versorgungsspannung [VDC] | Eingangsbereiche [pC] | Messfenster Reset / Operate [V] | Ausgangssignal [V] | Versorgungsspannung [VDC] | Sromaufnahme max. [A] | Grenzfrequenz [kHz] |
| PAxB Q14 | 01.30004 | -20.. 70 | 2 | 4* | 18..36 | 0..13.970 | 0..1/20..26 | -10..10 | 18..36 | 0,2 (bei 24VDC) | 50 |
| PAxB Q200 | 01.30005 | -20..70 | 2 | 4* | 18..36 | 0..219.170 | 0..1/20..26 | -10..10 | 18..36 | 0,2 (bei 24VDC) | 50 |
| PAxB Q1000 | 01.30006 | -20..70 | 2 | 4* | 18..36 | 0..1.069.547 | 0..1/20..26 | -10..10 | 18..36 | 0,2 (bei 24VDC) | 50 |
*für jeden Piezokanal jeweils ein Spitzenwertkanal im Druckbereich (0..-10 V) und im Zugbereich (0..10 V)