ProductionSenses

Investitionen sind sicher: Alle Systeme dieser Produktfamilie können modular ergänzt werden.

Konfigurationen

ProductionSenses wird an die spezifischen Anforderungen in Ihrem Unternehmen angepasst. Für unsere Kunden realisieren wir folgende Konfigurationen:

  • Master-Slave-Setups, bei denen eine Führende Installation angegliederte Installationen über eine Bedienschnittstelle mitgesteuert werden.
  • Lokale Installationen, bei denen jedes System autark bedient wird.
  • Anbindungen an übergeordnete Softwareplattformen, die eine Datenweiterverarbeitung erlauben (ERP, MES, BDE, KI, ...).

Wir diskutieren Anwendungen gerne und zeigen Ihnen das für- und wider verschiedener Ansätze gerne auf.

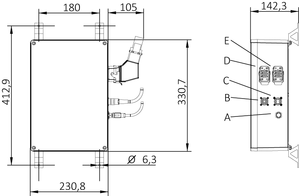
Technische Daten

A) Netzwerkanschluss

B) Spannungsversorgung

C) I/O-Schnittstelle

D) Ladungs- und Referenzeingänge

E) Weitere Ein- und Ausgänge (optional)